Flanges and their gaskets, along with fasteners, are collectively referred to as flange joints.

Application:
Flange joints are widely used components in engineering design, with a broad range of applications. They are essential parts in piping design, pipe fittings, and valves, as well as necessary components in equipment and equipment parts (such as manholes, sight glass liquid level gauges, etc.). Additionally, other industries such as industrial furnaces, thermodynamics, water supply and drainage, heating, ventilation, and automatic control also frequently utilize flange joints.
Materials:
Forged steel, WCB carbon steel, stainless steel, 316L, 316, 304L, 304, 321, chromium-molybdenum steel, chromium-molybdenum-vanadium steel, molybdenum-titanium, lined rubber, lined fluorine materials.
Classification:
Flat welding flange, neck welding flange, butt welding flange, ring joint flange, socket welding flange, and blind flange, etc.
Standards:
There are GB series (national standards), JB series (Ministry of Machinery), HG series (Ministry of Chemical Industry), ASME B16.5 (American standard), BS4504 (British standard), DIN (German standard), JIS (Japanese standard).
International Flange Standard Systems:
Internationally, there are mainly two flange standard systems: the European flange system represented by Germany DIN (including the former Soviet Union) and the American flange system represented by ANSI.
12 Types of Flanges and Sealing Surface Forms:
1.Plate Flat Welding Flange

Plate flat welding flange (Chemical Standard HG20592, National Standard GB/T9119, Mechanical JB/T81).
Advantages:
Convenient material selection, simple manufacturing, low cost, widely used.
Disadvantages:
Poor rigidity, hence not suitable for chemical process piping systems with supply and demand, flammable, explosive, and high vacuum requirements, and highly hazardous environments.
Sealing surface forms include flat and raised face.
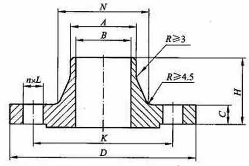
2.Neck Flat Welding Flange

Neck flat welding flange belongs to the national standard flange standard system. It is one of the forms of national standard flanges (also known as GB flanges) and is commonly used flanges in equipment or pipelines.
Advantages:
Convenient on-site installation, can omit the process of tapping the weld seam.
Disadvantages:
The neck of the neck flat welding flange is relatively low, which increases the rigidity and load-bearing capacity of the flange. Compared with butt welding flanges, it requires more welding work and consumes more welding rods. It cannot withstand high temperature, high pressure, repeated bending and temperature fluctuations well.
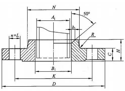
3.Neck Welding Flange

The sealing surface forms of neck welding flanges include: raised face (RF), concave face (FM), convex face (M), tongue face (T), groove face (G), and full flat face (FF).
Advantages:
The connection is not prone to deformation, has good sealing effect, is widely used, suitable for pipelines with large temperature or pressure fluctuations, high temperature, high pressure, low temperature, as well as pipelines transporting expensive media, flammable and explosive media, and toxic gases.
Disadvantages:
Neck welding flanges are bulky, heavy, expensive, and difficult to install and position, making them prone to damage during transportation.
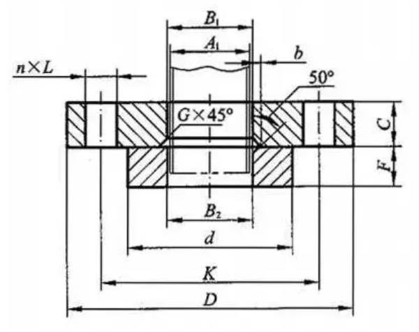
4.Integral Flange


Integral flange is a type of flange connection method, also belonging to one form of neck welding steel pipe flange. Materials include carbon steel, stainless steel, alloy steel, etc. In various domestic standards, "IF" is used to represent integral flanges. It is mostly used in pipelines with high pressure. The production process is generally casting. Within the flange types, an "IF" is used to indicate integral flanges. Generally, the sealing surface forms are raised face (RF), and in hazardous operating conditions such as flammable, explosive, high hazard, convex and concave faces (MFM), and tongue and groove faces (TG) can be selected.
5.Socket Weld Flange


Socket weld flange is a flange welded to one end of the steel pipe and connected to the other end with bolts.
Sealing surface forms:
Raised face (RF), convex and concave face (MFM), tongue and groove face (TG), ring joint face (RJ).
Applications:
Boiler pressure vessels, petroleum, chemical industry, shipbuilding, pharmaceuticals, metallurgy, machinery, stamping bends, food, and other industries. Commonly used in pipelines with PN≤10.0MPa and DN≤40.
6.Threaded Flange

Threaded flange has the inner hole of the flange processed into pipe threads, matched with threaded pipes for connection, it is a non-welded flange.
Advantages:
Compared with flat welding flanges or butt welding flanges, threaded flanges are convenient for installation and maintenance and can be used on pipelines where welding is not allowed on-site. When alloy steel flanges have sufficient strength but are not easy to weld or have poor weldability, threaded flanges can be selected.
Disadvantages:
It is not recommended to use threaded flanges under conditions of rapid temperature changes in the pipeline or temperatures above 260°C and below -45°C to avoid leakage.
7.Loose Ring Welding Flange

Loose ring welding flange is a movable flange plate, generally matched with drainage fittings. When the expansion joint is delivered from the factory, each end has a flange plate, directly connected to the pipeline and equipment with bolts.
Purpose:
The purpose of using loose ring welding flanges is generally to save materials. Its structure is divided into two parts: one end of the pipe is connected to the pipeline, and the other end is made into a loose ring for welding. The flange plate is made of low-grade materials, while the pipe part uses the same material as the pipeline to save materials.
Advantages:
Disadvantages:
8.Flat Weld Loose Ring Flange


The flat weld loose ring flange plate is a movable flange piece. It is directly connected to the pipeline and equipment in the project using bolts.
The purpose of using flat weld loose ring flange plates is generally to save materials. Its structure is divided into two parts: one end of the pipe is connected to the pipeline, and the other end is made into a flange plate, with the flange plate part fitted over the flanged end.
Advantages:
Disadvantages:
9.Blind Flange


Also known as a blind plate flange or blind flange, it is a flange without a hole in the middle, used to seal the end of a pipeline.
Its function is similar to that of welded end caps and screw caps, except that blind flanges and screw caps can be removed at any time, while welded end caps cannot.
Flange sealing surfaces:
Flat face (FF), raised face (RF), concave and convex face (MFM), tongue and groove face (TG), ring joint face (RJ).
10.Lined Blind Flange


Lined blind flange is a type of blind plate flange where stainless steel is welded near the medium side, forming a single unit. Lined blind flanges are used as blind plates in pipelines with corrosive media. The difference between lined blind flanges and ordinary blind flanges is the addition of a corrosion-resistant lining layer on the side in contact with the medium.
11.ANSI Neck Flat Weld Flange


ANSI neck flat weld flanges are connected to the end of pipes. Their main purpose is to connect pipes to each other. ANSI neck flat weld flanges have bolt holes for bolting two flanges together, with gaskets used for sealing between the flanges.
The gasket is placed between the two flange sealing surfaces. After tightening the nuts, the gasket surface deforms when a certain pressure is reached, filling in the irregularities on the sealing surface, ensuring a tight connection. Flange connection is a detachable connection. It can be divided into vessel flanges and pipe flanges according to the connected components. ANSI neck flat weld flanges are suitable for connecting steel pipes with a nominal pressure not exceeding 2.5MPa.
12.ANSI Neck Butt Weld Flange


ANSI flanges are components used to connect pipes to each other at the end of the pipe. ANSI butt weld flanges are made by forging or casting.
According to the neck situation, ANSI butt weld flanges can be divided into neck butt weld flanges and non-neck butt weld flanges.
ANSI butt weld flanges consist of two flange discs and flange gaskets, which are fastened together with bolts to complete the connection. Bolt holes on ANSI flanges make the two flanges tight together.
Gaskets are used to seal between flanges.
If you need to manufacture flanges,please upload your design here: